


- Product performance description
BL series laser displacement sensor is a sensor that uses laser technology to measure. It can be used to detect the geometry of the object's position, displacement, distance, thickness, height and diameter by accurately distinguishing the position and displacement change of the measured object. It is especially suitable for various application scenarios that require high detection accuracy.
Advantage
1. Ultra-high cost performance;
2. Precision, small spot and small volume;
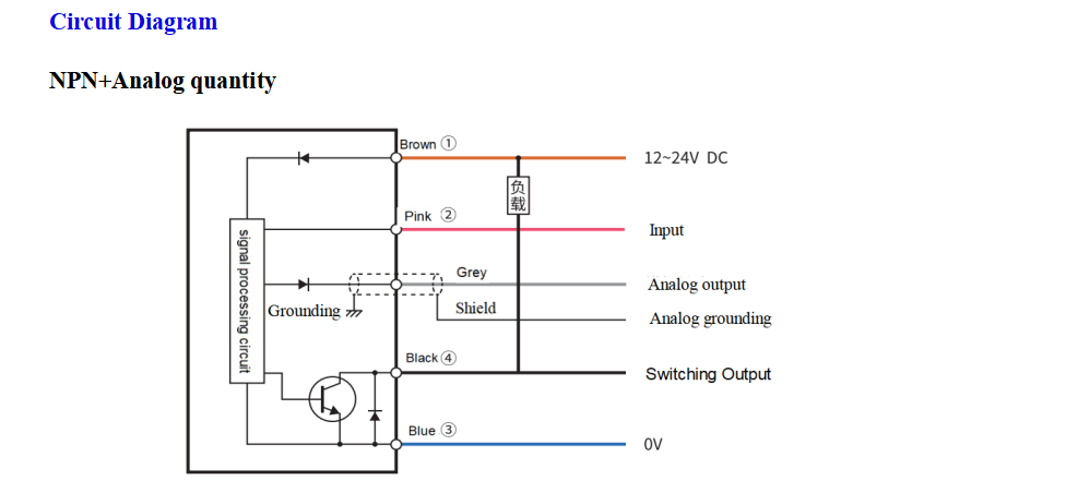
3. Tri output modes: NPN, NPN+analog and NPN+RS485;
4. Multiple detection modes are suitable for more application scenarios: general detection mode, one-point teaching mode, two-point teaching mode, three-point teaching mode, descending differential mode, and ascending differential mode;
5. The top of the large output indicator light, beautiful and generous
6. Digital tube display distance value, clear and bright;
7.Membrane switches, easy to use;
8. Aluminum alloy shell, strong and durable.







